quick view Add to Cart Spring Main Carburetor Damper (CD5871) MSRP: $11.42 This is the main spring inside the carburetor suction chamber. 1977 from VIN 30001 to 1986 up to VIN 17000 Add to Cart
quick view Add to Cart Spring Main Carb Needle (CD5453) MSRP: $6.85 This is the spring for the main carburetors needle. From 1969 (VIN 8742) to 1986 (VIN 17000) Add to Cart
quick view Add to Cart Plain Washer (Multi Use) (WHT002849) MSRP: $2.29 This washer is found all over the cars from 1955-1997 Front Door Hinge Transmission Gear Change Volute Casing Thermostat Front Suspension Spring Cylinder Head Manifold Air Pressure Sensor (2bar) Fuel Injection Fuel Rail Dashboard Instrument Handbrake... Add to Cart
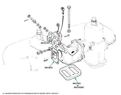
quick view Add to Cart Overheat Reduction Kit (RH13183KT) MSRP: $153.32 This is a Shadow II carburetor gasket RH13183 together with a new fixing bolt SPC1867, two dowels SPC1862 and aluminum washer WHT002850.It has been designed for all pre-Silver Shadow II models with a V8 engine. We have become aware that, after... Add to Cart
quick view Add to Cart Otter Switch Bushing (SPC2752) MSRP: $60.01 This is the bush that sits into the butterfly housing for the fuel weakener solenoid for UE39592 otter switch. 1980-1981 Shadow II, Wraith II, T2 (VIN 30001 onward) 1980-1987 Mulsanne, Spirit, Spur (01001-16970) Add to Cart
quick view Add to Cart O ring Induction Manifold SU Carburetor (UE33064) MSRP: $7.94 This 1.487"x.103" O Ring Induction Manifold SU Carburetor. 1971-1981 Shadow, T, Wraith II, T2, Shadow II (VIN 11062-41573) 1980-1987 Mulsanne, Spirit, Spur (VIN 01001-16970) No Turbo Add to Cart
quick view Add to Cart Needle Guide (CD5935) MSRP: $25.31 This is the needle guide for SU carburetors. 1977-1985 year models Shadow, Wraith II, T2 VIN 30000 onward Mulsanne, Spirit, Spur, Eight VIN 01001-21989 Add to Cart
quick view Add to Cart Main Carburetor Needle BDZ (UE41503) MSRP: $38.76 This is the main carburetor needle stamped BDZ for UK SPEC cars. 1977-1980 From VIN 30001 onwards 1981-1986 VIN 01001 to 20000 (NOT US SPEC) Add to Cart
quick view Add to Cart Lid Carburetor Float Chamber A (CD5154) MSRP: $68.75 This is the carburetor float lid to chamber A. 1966-1970 Shadow, T Saloon & Coachbuilt (VIN 1001-8697) Add to Cart
quick view Add to Cart Jet Sleeve for Carburetor (CD5876) MSRP: $77.42 This is the bearing and locknut for the main carb jet on the HIF7 carburetors. 1976-1980 Camargue, Corniche, Shadow II, Wraith II, T2 (VIN 30001 onward) 1980-1987 Continental, Corniche, Eight, Mulsanne, Spirit, Spur, Turbo (VIN 01001-16970) Add to Cart
quick view Add to Cart Inlet Manifold Carb Gasket (RH13183) MSRP: $106.23 This is the inlet manifold to carburetor gasket. The original part # was UE40543. 1977-1980 (VIN 30001 onward) 1980-1986 (VIN 01001-17000) Add to Cart
quick view Add to Cart Hot Idle Compensator Valve Seal (UE36467) MSRP: $10.17 This is the seal fitted to the hot idle compensator valve, 2 are required per car. 1973 from VIN 18418 onward Shadow, Shadow II, T, T2, Wraith II 1981-1987 Mulsanne, Silver Spirit, Silver Spur (no Turbo Models) up to VIN 16970 Add to Cart
quick view Add to Cart Gland Seal for Throttle Spindle (CD5443) MSRP: $19.53 This is the gland seal on the throttle spindle. Note: 2 Seals per Spindle = 4 per car (Sold Each) 1969-1980 From (Vin 8742 onwards) 1981 to 1986 (VIN 17000) Add to Cart
quick view Add to Cart Gasket to Induction "T" Piece (RH12778) MSRP: $6.58 This is the gasket between the induction T piece and the hot idle valve compensator housing on cars fitted with EGR. Part number was UE36637. 1966-onward from VIN 12490 Add to Cart
quick view Add to Cart Gasket Induction T Piece (RH13076) MSRP: $106.11 This is the thick gasket spacer that goes between the induction T piece and the carburetor. Original part# UE40141 1977-1980 From VIN 30001 onwards 1981-1986 up to VIN 17000 Add to Cart
quick view Add to Cart Float Spindle Sealing Washer (CD5867) MSRP: $4.75 This is the Sealing Washer for the Float Spindle for SU Carburetors. For the HIF7 carb float spindle on all cars without Exhaust Emission Control. 1977-1980 Corniche, Shadow II, Wraith II, T2 (VIN 30001-41686) 1980-1986 Corniche, Mulsanne, Eight,... Add to Cart
quick view Add to Cart Float Needle & Seat Kit (1966-1984) (CD6007) MSRP: $53.63 This is the float chamber needle and seat kit for all cars with SU carburetors from 1966 to 1984 Note: 2 kits are required per car (Sold Each) 1966-1998 All models with SU Carburetors Add to Cart
quick view Add to Cart Float Kit Ethanol Resistant Float (CD5865ER) MSRP: $110.49 This is the ethanol resistant float kit. This float is a superior design compared with others on the market as it is resistant to modern ethanol based fuels. The float material was developed for military use in the 1980s where reliability was... Add to Cart
quick view Add to Cart Float Chamber Seal (CD5936) MSRP: $4.92 This is the float chamber seal. From 1977 (VIN 30001) onward to 1987 models (up to VIN 17000) with HIF7 SU carburetor Add to Cart
quick view Add to Cart Float Chamber Cover (RH2901) MSRP: $113.60 This is a new float chamber cover. Also need CD5936 with each lid. 1977 from VIN 30001 onward 1987 Cars Fitted with HIF7 SU Carburetors Add to Cart
quick view Add to Cart Fiber Washer (RE7297) MSRP: $4.00 This is the Fiber Washer that sits on the to of the Carburetor Float Chamber. 1946-1955 All Models 1956-1965 All Models 1966-1980 All Models Add to Cart
quick view Add to Cart Fast Idle Cam Fulcrum Pin (UE40677) MSRP: $28.04 This is the fast idle cam fulcrum pin. 1985 Continental (VIN 09030-10382) 1977-1983 Camargue (VIN 30015-50776) 1976-1980 corniche, Shadow, Wraith II, T2, (VIN 30001 onwards) 1980-1987 Eight, Mulsanne, Spirit, Spur (VIN 01001-16970) Add to Cart
quick view Add to Cart Carburetor Needle BDD (UE41504) MSRP: $64.69 This is the main HIF7 carburetor needle for cars fitted with an exhaust emission control system. 1977-1980 year models with exhaust emission control Add to Cart
quick view Add to Cart Carburetor Joint (with EGR System) (RH13075) MSRP: $24.82 This is the carburetor gasket for cars with an EGR system. 1966-1980 Silver Shadow I,II,III, T-series, Silver Wraith II Add to Cart
quick view Add to Cart Carburetor Jet Kit (CD5869) MSRP: $54.20 This is a carburetor jet kit for all cars with an SU HIF7 carburetor. 1977-1980 (VIN 30001-41686) 1980-1986 (VIN 01001-17000) Add to Cart
quick view Add to Cart Carburetor Float Kit (CD5865) MSRP: $73.53 This is a float kit for all cars with SU carburetors. 1977-1980 Corniche, Shadow II, Wraith II, T2 (VIN 30001-41686) 1980-1986 Corniche, Mulsanne, Eight, Spirit, Spur (VIN 1001-17000) Note: 2 Kits per car (Sold Separately) Add to Cart
quick view Add to Cart Carburetor Chamber Body Screw (CD5872) MSRP: $9.66 This is the screw for the carburetor chamber body. 3 Per Car (Sold Each) 1977-1980 Corniche, Camargue, Shadow II, Wraith II, T2 (VIN 30001 onward) 1980-1987 Corniche, Continental, Mulsanne, Spirit, Spur (VIN 01001-16970) Add to Cart
quick view Add to Cart Bolt .250 UNF x 2.500in long (UA118Z) MSRP: $8.02 Bolt .250 UNF x 2.500in long fits: 1973-1982 Camargue - Carburetor Solex, Window Lift, Fuel Tank (after 14674-50776) 1973-1980 Shadow, T, Wraith II, Shadow II, T2 (from VIN 18418 onward) & (from 25565 Fuel Tank) 1980-1996 Eight, Mulsanne, Spirit,... Add to Cart
quick view Add to Cart Aluminum Sealing Washer to Carburetor Float Lid (RE7289) MSRP: $2.37 This is the Aluminum Sealing Washer that sits on top of the Carburetor Float Chamber. All models up to 1986 Add to Cart
quick view Add to Cart Air Intake Gasket to Carburetor (UE6230) MSRP: $8.49 This is the Air Intake to Carburetor Gasket Note: 4 required per car (Sold Each) 1962-1965 S-3, Cloud III & Phantom V 1966-1980 All Models Add to Cart