quick view Add to Cart Water Tap to Heater Matrix Pipe Hose (RH9267) MSRP: £43.91 This is the hose that connect the water tap to the heater matrix. Supersession: UE1295, RH9267, UR8470 1955-1965 Cloud I,II,III & S1,2,3 1959-1968 Phantom V Add to Cart
quick view Add to Cart Vacuum Operated Heater Tap Diaphragm (UD1230) MSRP: £53.04 This is the vacuum operated heater tap diaphragm. 1955-1965 Silver Cloud I,II,III, S-1,2,3 & Phantom V Add to Cart
quick view Add to Cart Straight Heater Hose (UR5544) MSRP: £89.59 This is the straight heater hose from the left hand water tap to the heater fitted on later Standard models cars. 1962-1965 Cloud II (VIN LSAE85 onward) & S2 (VIN B22LDW onward) & All Cloud III & S3 Standard models only Add to Cart
quick view Add to Cart Plain Washer (XB1098) MSRP: £1.77 This is the plain washer needed when fitting the heater tap. This is also known as the summer and winter valve (UD3984). 1956-1965 Silver Cloud I,II,III, S-series, Continental & Phantom V Add to Cart
quick view Add to Cart Plain Washer (WHT002904) MSRP: £2.91 Supersession: CS6503Z, K4404Z, X4404Z, X4404ZP 1946-1955 It is the washer for the exhaust manifold stud (KB359Z). There is one washer per stud and six studs per manifold.Plain Washer 2BA1955-1965 Power Steering (P Clips), A/C Butterfly Valve, Front &... Add to Cart
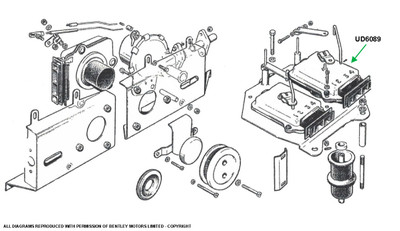
quick view Choose Options Heater Tap, Original Style (UD6089SX) MSRP: £486.15 This is the electrical heater actuator motor for the heater system. This part has been reconditioned. 1959-1965 Standard Silver Cloud II, III and Bentley S-2,3 1962-1968 Phantom V (VIN 5VD93-5LVF183) CORE CHARGE $150 When returning core, please... Choose Options
quick view Add to Cart Heater Tap Sealing Ring (UD8005) MSRP: £6.53 This is the sealing ring for the heater tap (UD8506) unions. Note: 2 Per Car Required (Sold Each) 1959-1965 Cloud II, III, S-2,3 1962-1968 Phantom V 1966-1967 Silver Shadow/T Saloon & Coachbuilt (up to VIN 2461) Add to Cart
quick view Add to Cart Heater Tap Actuator Motor Boot (UD6089BOOT) MSRP: £42.79 This is the rubber boot for the electrical heater actuator motor for the heater system. 1959-1965 Silver Cloud II,III & Bentley S-2,3 Phantom V models Add to Cart
quick view Add to Cart Heater Tap (UD8506) MSRP: £128.49 This is the heater tap for the air conditioning. 1962-1965 Late Bentley S3 & Rolls-Royce Silver Cloud III 1962-1968 Phantom V VIN 5VE1-5LVF183 Add to Cart
quick view Add to Cart Heater Tap & Fitting Valve (UD3984) MSRP: £297.13 This is the water / heater tap. This part is also known as the summer and winter valve. You will need 1-XB1098 washer to make a tight seal when replacing. 1955-1965 Cloud I,II,III, S-1,2,3 and Some Early Phantom V models Add to Cart
quick view Add to Cart Heater and Coolant Hose (UR5494) MSRP: £63.06 This is the return & heater tap hose. 1959-1965 Return Hose - Standard models from Silver Cloud II (from SAE85) and Bentley S2 (from B22DW) 1959-1965 Heater Tap Hose - all Series 2 & 3 LWB, Coachbuilt & Continental Add to Cart
quick view Add to Cart Grubscrew Water Tap (UD3806) MSRP: £2.64 Grubscrew to the nipple (UD4024) to water tap control on the air conditioning control. 1959-1965 Cloud II,III, S-2,3 1962-1968 Phantom V 1968-1978 Phantom VI 1966-1977 Shadow, T Saloon & Coachbuilt (VIN 1001-26700) Add to Cart
quick view Add to Cart Bolt .250UNF x .625in long (UA103Z) MSRP: £6.47 1955-1965 Power Steering Cylinder Bracket, A/C Controls & Demister Ducting Blower, A Bank & Rear Covers Crankcase, Sump Dipstick, Fuel Tank, Radiator Mounting Tube & Radiator Shell Upper Bracket, Horn Mounting Bracket, Aerial, Rear... Add to Cart
quick view Add to Cart Bolt .250 UNF x .375" long (UA101Z) MSRP: £2.60 Bolt .250 UNF x .375" long fits: Air intake filter, Cooling fan (electric), front bumper, crankshaft & main bearings, starter ring gear & torus Please Contact our Sales Department for Diagram Placement 1955-1965 - 4 Speed Automatic Flywheel &... Add to Cart