quick view Add to Cart Window Motor Updated Motor 1987-1995 (UD72242R) MSRP: $718.00 This is the updated modified window kit that replaces the Bosch motor (UD72242) which is no longer available new. This motor comes with an adapter plate and another separate drive adapter. This being a new motor kit, there is no core required... Add to Cart
quick view Add to Cart Window Motor Lift Coupling (UD71409) MSRP: $31.25 This is the plastic coupling between the window lift motor and the gear box. 1981-1998 From VIN 01001 onwards Add to Cart
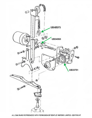
quick view Add to Cart Window Motor Coupling (UB34063) MSRP: $40.00 Window Motor plastic coupling that goes between the pin on the window motor and the worm shaft gear inside the gearbox. 1978 Shadow II, Wraith II, T2 (from VIN 35544 onward) 1980-1987 Corniche, Eight, Mulsanne, Spirit, Spur, Turbo (up to VIN 16970) Add to Cart
quick view Choose Options Window Lift Pin Fitting Motor (UD71195) MSRP: $743.63 This is a new original pin fitting window lift motor. $300 Core Charge Applies - We offer no core charge if you send your part in fist. 1978-1980 Shadow II, Wraith II, T2 (VIN 36422-41686) 1980-1986 Spirit, Spur, Mulsanne, Turbo (VIN 01001-17000) Choose Options
quick view Add to Cart Sprocket & Bush Window (UD72131) MSRP: $231.22 This is the main sprocket and bush found at the base of the electric window lift. This part is what the chain is attached onto. To get the best results out of this part we recommend the sprocket bush gets pressed on the shaft plate. Prior to... Add to Cart
sold out quick view Call for Availability Round Window Motor (pin fitting) (UD71195U) MSRP: $506.20 This is the round window motor (pin fitting) This is used and tested good. This photo is for reference only and the part you receive might be slightly different. Please check with our sales staff if you have any questions 1978-1980 (VIN... Call for Availability
quick view Add to Cart Reel Spring Assister Division (UB31195) MSRP: $112.68 This is the reel spring that helps the power window roll up and down. 4 Per Car (Sold Each) Add to Cart
quick view Add to Cart Plate Pick Up Window Lift (UB40575) MSRP: $9.28 This is the plate for the window lift pick up. Supersession: UB42837 1980-1995 Brooklands, Continental SC, Eight, Mulsanne, Spirit, Spur, Turbo (up to VIN 55316) Add to Cart
quick view Add to Cart Plain Washer 6mm (UM20205) MSRP: $0.36 The 6mm Plain Washer Fits: Front door locking mechanism, fuel throttle body, fuel pump, damper, speedometer drive, camshaft, ERG system, headlights, subframe, front bumper, speed control actuator, window motor, heater system, door mirror Please Contact... Add to Cart
quick view Add to Cart Plain Washer (UA2001Z) MSRP: $32.95 Thin Washer Multi Uses, Fits: 1955-1959 Cloud I & S1 (Air Filter) 1966-1980 All Models (Rear & Front Door Frame & Throttle Valve Suction Pipe Clip) 1980-1998 Brooklands, Continentals, Corniche, Eight, Mulsanne, Spirit, Spur, Turbo (Front... Add to Cart
quick view Add to Cart Plain Washer (Multi Use) (WHT002849) MSRP: $2.29 This washer is found all over the cars from 1955-1997 Front Door Hinge Transmission Gear Change Volute Casing Thermostat Front Suspension Spring Cylinder Head Manifold Air Pressure Sensor (2bar) Fuel Injection Fuel Rail Dashboard Instrument Handbrake... Add to Cart
quick view Add to Cart Plain Nut M8 (UM21558Z) MSRP: $1.55 8M Plain Nut fits: Front & Rear Door Window Lift, Fog Lamp Bracket, Air Dam, Alternator, Wiper Mechanism Supersessions: WHT003604 & UM21558ZP 1980-2000 All Models Add to Cart
quick view Add to Cart Pan Head Screw M5 x 10MM long (UM20823Z) MSRP: $0.18 This is the Pan Head Screw M5 x 10MM long Fits: All 4 Door Window Switch Lift, Interior Trim BC Post, Air Conditioning Fan Speed Switch Module, Front Door Lock, Exterior Side Lamp Bracket Supersession: WHT003647 1980-2000 All Models Add to Cart
quick view Add to Cart Nylon Wheel Driven Gear for Window Motor (UB42226) MSRP: $43.75 This is the nylon wheel that is driven by the electric window lift motor. 1987 TO 1998 from VIN 20004 onward Add to Cart
quick view Add to Cart Nut Fastex (SPM1277) MSRP: $1.84 This Nut is for the, Front Door window lift, Rear seat adjustment switches & electrical ice warning unit loom. 1990-2000 All Models (from VIN 31001 onward) Add to Cart
quick view Add to Cart Lock Nut Fastex (SPM1417) MSRP: $3.16 Fastex Lock Nut found in many areas of the car; Single Rectangular Headlamp & Indicator Bracket, Rear Seat Adjustment, and Window Switches 1981-1998 Azure, Brooklands, Continental, Corniche, Eight, Mulsanne, Spirit, Spur, Turbo Add to Cart
quick view Add to Cart Grommet Body, Door, Trim (UB1051) MSRP: $9.58 This is a Grommet Plug. 1955-1965 Center Section Body Shell (No Phantom V) 1966-1980 Body Exterior 1980-1998 Window Lift, Striker Plate Add to Cart
quick view Add to Cart Grommet (UD11805) MSRP: $6.89 This is a rubber grommet with multiple uses. Can be used in the electrical window area, the parking light area, the bonnet / hood release and the rear doors. 1966-1980 Shadow, T, Shadow II, T-2, Silver Wraith II 1981-1998 Spirit, Spur, Mulsanne,... Add to Cart
quick view Add to Cart Grommet (UB17417) MSRP: $16.19 This is a grommet for sealing in several areas. 1972-1980 (from VIN 13754) Shadow, T, Shadow II, Wraith II, T2 / Spare Wheel Carrier & Door Window Lift 1973-1982 (from VINI 14674) Camargue / Spare Wheel Carrier 1982-1991 (from VIN... Add to Cart
quick view Add to Cart Gear Sprocket (UB38668) MSRP: $49.94 This is the electric window lift upper sprocket gear. 1980-1995 Silver Spirit, Sliver Spur, Mulsanne, Turbo, Brooklands, Eight Add to Cart
quick view Add to Cart Gear for Electric Window Lift (UB33751) MSRP: $59.99 This is the electric window lift motor gear (Worm Gear). 1979-1980 Silver Shadow II, Silver Wraith II, Bentley T (VIN 36422 onwards) 1986 Sliver Spirit, Silver Spur, Mulsanne, Eight, Turbo 4 Door models Add to Cart
quick view Add to Cart Electric Window Lift Bush (UB12609) MSRP: $40.86 This the mounting bush located at the base of the electric window lift assembly (UB12705) on SZ 4 door models from 1980-1998. It is also found riveted to the bottom of the window lift channel (UB18115) on SY models from 1966-1980 1966-1980 All SY... Add to Cart
quick view Add to Cart Driving Gear and Sprocket Window (UB30305) MSRP: $628.64 This is the Driving Gear & Sprocket for the Window Lift assembly (UB32485). 1973-1983 Camargue (VIN 14674-50776) 1975-1982 Corniche (VIN 21998-50757) 1985-1989 Continental (VIN 09030-29289) Add to Cart
quick view Add to Cart Distance Piece (UB38404) MSRP: $21.13 This Distance piece is for the Front door drop glass pulley guidance & Rear quarter window on Corniche & Continental 1980-1995 Brooklands, Continental, Corniche, Eight, Mulsanne, Spirit, Spur, Turbo (up to VIN 55316) Add to Cart
quick view Add to Cart Chrome Cover Plate for Single Window Switch (UD20960) MSRP: $174.94 This is the chrome cover plate for a single window switch. This is the chrome plate around the single electric window lift switch that covers the screws which hold the main surround onto the door panel. It is held in place by two nylon anchors UD11793... Add to Cart
quick view Choose Options Bosch Window Motor Lift Assembly (UD72242U-A) MSRP: $987.38 This is a good used window lift assembly. All you need to do is unbolt yours and put this one in. These units are tested in good working condition. All 4 door cars from 1987 (#20001) to 1995 (#55309) $300 CORE CHARGE... Choose Options
quick view Add to Cart Bolt .250 UNF x 2.500in long (UA118Z) MSRP: $8.02 Bolt .250 UNF x 2.500in long fits: 1973-1982 Camargue - Carburetor Solex, Window Lift, Fuel Tank (after 14674-50776) 1973-1980 Shadow, T, Wraith II, Shadow II, T2 (from VIN 18418 onward) & (from 25565 Fuel Tank) 1980-1996 Eight, Mulsanne, Spirit,... Add to Cart
quick view Add to Cart 8m Plain Washer (UM20224Z) MSRP: $3.46 This washer fits the (UD71260) pin on the window lift. 1989-2000 All Models (from VIN 24515 onward) Add to Cart