quick view Add to Cart Washer (UA6102Z) MSRP: ¥137.71 This is a washer that is used for many things on your car. This washer can be found in the Air Condition, Cooling System, Engine, Front Suspension, Fuel System, Electrical, Front Door, Rear Door, Luggage Compartment, Body Shell, Bumper, Exhaust System... Add to Cart
quick view Add to Cart Thick Washer (UA6101Z) MSRP: ¥137.71 Thick Washer found in many different areas on car. S1 & Cloud I Radiator Matrix Heater Ducting Blower Air Conditioning Window Lift S2,3 & Cloud II,III Propeller Shaft, Radiator Air Conditioning Boot Compressor Heater & Demister... Add to Cart
quick view Add to Cart Spring (UD11205) MSRP: ¥34.57 This is a spring for both ducting on 1966-1998 models & 1980-1998 levelling filter connector 1966-1980 All Models 1980-1998 All Models Add to Cart
quick view Add to Cart Split Pin .062 x .375 long (UA10110R) MSRP: ¥17.70 Multi Use Split Pin .062 x .375in long * 3 Speedometer Drive & Govenor (VIN 1467-26700)* Throttle Linkage (VIN 01001-80056)* Speedometer Drive (VIN 01001-09288)* Parking Brake Pedal (VIN 36283-59571)* Ignition Switch (VIN 01001-68001)* Facia Vents... Add to Cart
quick view Add to Cart Sleeve Blower Housing to Evaporator Seal (UD11164) MSRP: ¥448.46 This is the Rubber Sleeve fitted to the Blower Housing to Evaporator. 1966-1980 All Models 1980-1998 All Models Add to Cart
quick view Add to Cart Screw pan Head Facia Bullseye Vent (UA6849Z) MSRP: ¥13.50 4BA x 1" long Screw fits: to the bullseye vent retainer onto the deflector facia Supersession: WHT003608 1966-1980 All Models 1981-2000 All Models Add to Cart
quick view Add to Cart Screw Pan Head Air Conditioning (UA7312Z) MSRP: ¥4.97 .6 x .375" long screw for the Air Condition Evaporator Thermostat Switch Cover 1988-1989 Continental, Corniche, Eight, Mulsanne, Spirit, Spur, Turbo (VIN 23210-29290) Add to Cart
quick view Add to Cart Screw Mushroom Head .10 x 1.5in long (UA7438Z) MSRP: ¥16.09 .10 x 1.5 inch long Screw Mushroom Head to the lower quantity flap air conditioning actuator mounting bracket and fuseboard bracket. 1968-1970 Shadow/T Saloon & Coachbuilt (VIN 5001-9769) 1976-1980 Corniche, Shadow II, T2, Wraith II (VIN 30001... Add to Cart
quick view Add to Cart Retainer Bulls Eye Vent (UD11192) MSRP: ¥7.91 This retainer is for the Bulls Eye Vent ducting. 1966-1980 All Models 1981-1998 All Models Add to Cart
quick view Add to Cart Plain Washer (X8804SS) MSRP: ¥124.55 This is a plain washer fitted for UA9243Z hex head thread cutting screw. These are found on the exterior body.EGR system, LHD handbrake, Exhaust, Throttle Linkage, Gearbox Cooler Hoses & Pipes, Electric Fan, Hood Release Mechanism, Steering Hoses,... Add to Cart
quick view Add to Cart O Ring Adapter (Various Applications) (RE25134) MSRP: ¥28.48 This is the heater pipe O ring is suitable for all cars from 1976 to 1998.This O ring can be found in the HVAC heater pipe, thermostat housing, cooling system and the fuel system. 1976-1980 Shadow II, Wraith II, T2 (from 30001 onwards) 1980-1998... Add to Cart
quick view Add to Cart O ring (Air Conditioning System) (CD6811) MSRP: ¥34.64 This is the small o ring found in several areas of the air conditioning & heater system. Supersession: UD16703, CD4903, UD12231 1966-1980 Models with interior air 1980-1998 All Models Add to Cart
quick view Add to Cart O ring (UE10149) MSRP: ¥32.89 This o ring is used for several different applications: 1. o ring - inside of the rear height control restrictor valve on 1966-1980 Shadow 2. o ring - air conditioning on cars from 1987 3. o ring - that seals the cap on the brake... Add to Cart
quick view Add to Cart Heater Matrix to Pipe Gasket (UD72986) MSRP: ¥77.46 These are the gaskets that sit between the heater matrix and the heater pipes. 1983-1998 VIN 08690 onward Azure, Brooklands, Continental, Eight, Sling Spur, Mulsanne, Silver Spirit, Silver Spur and Turbo Add to Cart
quick view Add to Cart Heater Hose (UD70021) MSRP: ¥682.03 This is the hose between the heater tap and the engine. 1987 Silver Spirit, Mulsanne, Silver Spur, Turbo, Corniche From Vin 20001 onward Add to Cart
quick view Add to Cart Heater Hose (UD25829) MSRP: ¥522.42 This is the hose between the heater tap and the feed pipe from the matrix. 1987 Spirit, Spur, Mulsanne, Corniche, Eight, Brooklands (from VIN 20001 onward) Add to Cart
sold out quick view Call for Availability Grommet Air Condition (UD11158) (3) MSRP: ¥34.92 This is the rubber grommet found in the Air Condition/Heater area. 1966-1980 Shadow, T-series, Shadow II, T-2, Wraith II 1980-1998 Spirit, Spur, Mulsanne, Turbo R, Arnage, Brooklands Call for Availability
quick view Add to Cart Flap Valve Facia Vent (UD18438) MSRP: ¥900.06 This is the valve flap for the ducting vent. 1973-1983 Camargue (VIN 14674-50776) 1985-1989 Continental, Corniche, Eight, Mulsanne, Spirit, Spur, Turbo (VIN 12001-29290) Add to Cart
quick view Add to Cart Felt Facia Vent (UD11196) MSRP: ¥11.69 Felt Strip that sits between the deflector for facia vent and the bulls eye housing. 1966-1980 All Models 1980-2003 All Models Add to Cart
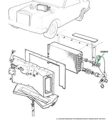
quick view Add to Cart Expansion Valve (UD26333) MSRP: ¥1,136.64 This is a new thermal expansion valve for the air condition. Supersession from (CD6307) 1983-1986 Corniche, Continental, Spur, Spirit, Mulsanne, Turbo (VIN 8862-17000) Add to Cart
quick view Add to Cart Expansion Valve (1987-1994) (UD73898) MSRP: ¥1,455.79 This is the expansion valve for the air conditioning. 1987-1994 all models from (VIN 20001-54000) Add to Cart
quick view Add to Cart Deflector Bulls Eye Facia Vent (UD21572) MSRP: ¥903.91 This is the chrome Deflector Bulls Eye Facia Vent. Please Note: the outside is wrapped with a protective tape 1966-2002 All Models Add to Cart
quick view Add to Cart Air Temperature Sensor Assembly (UD22525) MSRP: ¥481.41 This is the temperature sensor for the air condition that mounts onto the BC Post of the car. These are No Longer Available and we have limited stock. 1981-1989 4 door cars VIN 01001-27998 Add to Cart
sold out quick view Call for Availability Air Switching Valve (UE46188U) (1) MSRP: ¥1,355.52 This is a good USED air switch valve for the air condition. Unavailable - No Longer manufactured 1987-1989 Silver Spirit and Silver Spur This photo is for reference only and the part you receive might be slightly different. Please check with our... Call for Availability
quick view Add to Cart Air Condition O ring (CD6831) MSRP: ¥34.64 This O ring has a number of applications on the air conditioning system of all cars from 1965-1986. Including, between the condenser and the receiver drier on the Silver Shadow. It has an internal diameter of 0.301". From 1981-1983 (VIN... Add to Cart
quick view Add to Cart A/C Low Pressure Cutout Switch (CD6429) MSRP: ¥1,031.89 This is the pressure switch in the back of the air conditioning compressor. If the pressure in the system drops too low this switch cuts off the compressor to avoid it burning out. 1987-1991 Continental, Corniche, Spirit, Spur, Mulsanne, Turbo ... Add to Cart
sold out quick view Call for Availability A/C Compressor Hose (UR70297) (From Vin 20001 to 24496) MSRP: ¥5,093.19 This is the suction hose between the air conditioning compressor and the expansion valve. 1981-1998 Sliver Spirit, Sliver Spur, Mulsanne, Turbo R (From Vin 20001 to 24496) Call for Availability
quick view Add to Cart 6BA Plain Very Small Nut (UA11401Z) MSRP: ¥53.74 Very small plain nut found in many areas of car. 1966-2000Lower Quantity FlapAir ChestCentral Door Locking SwitchesGear SelectorAerial SwitchParking Brake PedalWindow Switches Center Console Add to Cart